網頁陸續建構中
網頁陸續建構中
Toggle navigation
首頁
關於我們
產品介紹
聯絡我們
產品介紹
案例
快速夾具
垂直式夾鉗
水平式夾鉗
推拉式夾鉗
門閂式夾鉗
擠壓式夾鉗
多功能焊接阻立式鉗
氣動式夾鉗
電氣箱開關把手
把手鎖
平面鎖
搭扣 U形把手
搭扣
U形把手
鉸鍊 磁石門扣 開閉器
鉸鍊
磁石門扣
開閉器
冷凍庫迫緊把手 後紐
凍庫把手
凍庫後紐
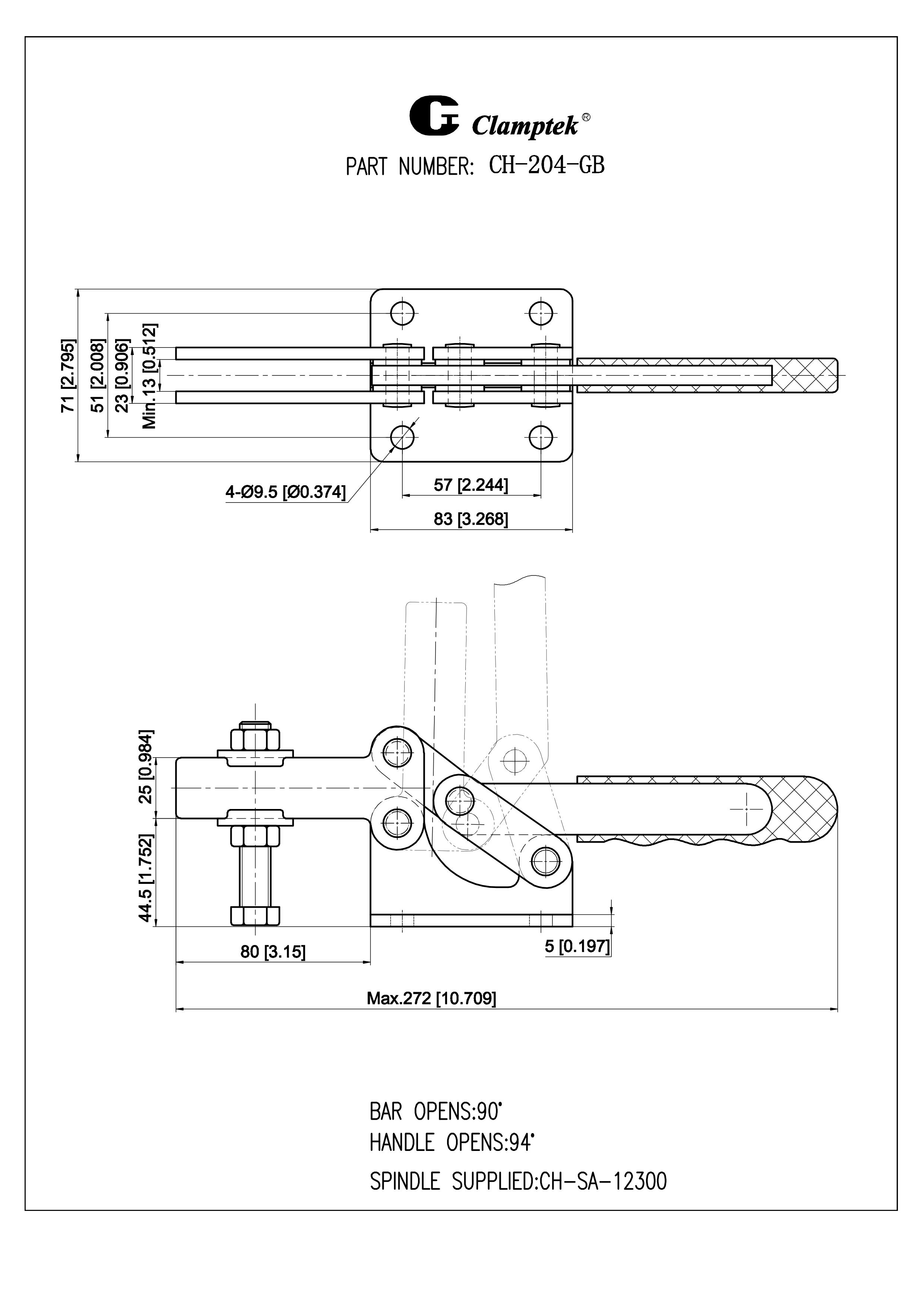
CH-204-GB
產品資訊
夾持力:630Kg
壓把開啟角度:90°
手柄開啟角度:94°
壓頭螺絲型號:CH-SA-12300
分享到
撥打電話
為提供您最佳個人化且即時的服務,本網站透過使用"Cookies"記錄與存取您的瀏覽使用訊息。當您使用本網站,即表示您同意Cookies技術支援。
Cookie Policy
接受並關閉